476
  • belle cuisine
  • 476
  • fiche 476 De Dietrich
  • encastrement 476
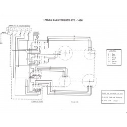
  • schémas 476

Table 476 De Dietrich

0,00 €
TTC

Table de cuisson tout électrique encastrable inox DE DIETRICH

descriptif 476

Fiche technique

Hauteur
45 mm
Largeur
582 mm
Profondeur
502 mm
usine de fabrication
De Dietrich Mertzwiller
années de fabrication début fin
1972 1973

Téléchargement

nu table 456 476 486 dd

Téléchargement (4.62M)

nomenclature 476 1476 2476

Téléchargement (1.12M)