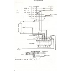
Hotte aspirante casquette 469 DE DIETRICH
A évacuation ou recyclage à 3 vitesses de 900 mm de large

Hotte aspirante casquette 469 DE DIETRICH
A évacuation ou recyclage à 3 vitesses de 900 mm de large